乳化机
乳化泵
乳化泵百科
乳化泵应用
管式反应器
管式反应器百科
管式反应器应用
研磨泵
研磨泵百科
研磨泵应用
关于我们
资讯
事件
混合机器百科
乳化机目录
釜内乳化机
连续乳化机
吸料乳化机
浆料乳化机
移动升降乳化机
联系我们
System
Language
English
Chinese
24小时技术支持 15996565828
联系方式
乳化机目录
釜内乳化机
连续乳化机
吸料乳化机
浆料乳化机
移动升降乳化机
Language
English
Chinese
乳化机
乳化泵
乳化泵百科
乳化泵应用
管式反应器
管式反应器百科
管式反应器应用
研磨泵
研磨泵百科
研磨泵应用
关于我们
资讯
事件
混合机器百科
乳化机目录
釜内乳化机
连续乳化机
吸料乳化机
粉体搅拌机
浆料乳化机
静态混合器
移动升降乳化机
应用创新
控制系统及其配套组件
常见问题
联系我们
产品快速索引
图片自定义
DLT@DLT.HK.CN
+86-0513-83660511
R224,QiDong, NanTong city,Jiangsu Province, China
首页
>>
乳化机目录
>>
釜内乳化机
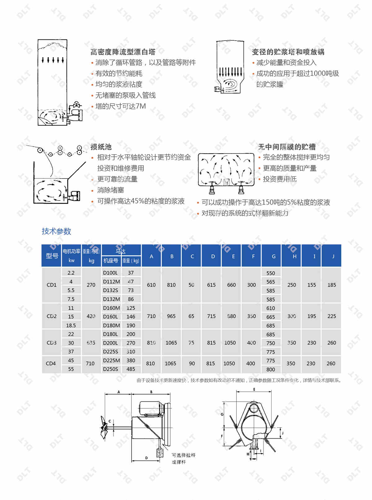
CD
应用
粉体输送机
输送物品的机器。与传统的有轴螺旋输送机相比,采用无中心轴设计和整体钢螺旋推送材料,具有以下突出的优点:抗缠绕性强。用途:良好的环保性能。采用全封闭输送和易清洗的螺旋表面,可保护环境卫生,输送的材料不受污染和泄漏。扭矩大,能耗低。由于螺旋无轴,材料不易堵塞,排…
相关产品
更多
VSG
粉体混合 侧面取样
HQ
立式卧式吸气混和
HL
立式吸粉泵
HW
卧式吸粉混合泵
MV400
在线式低剪切
ME400
分散乳化泵
事件
5
2015-12
如何辨别卧式搅拌机质量好坏?
随着卧式干粉搅拌机设备的广泛应用,市场上随之出现了很多的“翻新机”,而且卧式搅拌机价格也是千差万别,从而严重影响了用户的判断。下面我们就“如何辨别卧式搅拌机质量好坏”这个问题,与大家一起探讨。问题一:辨别卧式搅拌机质量相信大家对卧式搅拌机设备都会有所了…
Read more...
21
2014-6
如何操作高速分散机?
高速分散机的设置操作1.限高开关此开关是一个安全装置,只要主驱动电机运行,就不允许提升超过调整高度。必须调整高度限位开关,以在搅拌元件离开产品后立即停止提升。确保与油箱边缘有足够的间隙。
Read more...
资讯
21
2014-6
高速分散机适用的行业及其特点
高速分散机又称高速混合机(英文名:high speed dispersion)。本机适用于涂料、染料、油墨、颜料、化妆品、树脂、胶粘剂、乳液、医药、石油等液体和液-粉相物料的高速搅拌、溶解、分散,速度可调任意(0 -1440 rpm)。高速分散机也可用于打浆和分散质感涂料、质感涂料、质感砂…
Read more...
21
2014-6
实验室搅拌的构造解析
人工搅拌一般借助于玻棒就可以进行,磁力搅拌是利用磁力搅拌器,机械搅拌则是利用机械搅拌器。磁力搅拌器由于容易安装,因此,它可以用来进行连续搅拌尤其当反应量比较少或在反应是在密闭条件下进行,磁力搅拌器的使用更为方便。但缺点是对于一些粘稠液或是有大量固体参加或生…
Read more...
21
2014-6
何为高剪切制粒?
当您在研发、中试或者量产应用中需要固体制剂技术时,HPT均可为您提供帮助。我公司的HPT高剪切制粒混合机可根据您的特殊工艺需要加以定制,快速且经济划算。如果您有特殊要求的加工配料需要,请让我们帮助您实现最佳化生产。高剪切制粒系指一种把粉末变成可用于片剂包衣或致密…
Read more...
21
2014-6
高速分散的说明书和其安装教程
高速分散机是一种可以混合、溶解和分散各种液体混合物的高效设备。其主要特点如下:有两种(中速、高速)或三种(低速、中速、高速) 搅拌轴转速,低速和中速混合溶解,高速分散。在刀片高速旋转的作用下,物料在容器内剧烈转动,被刀片撞击和切割,破坏物料,从而达到快速分散…
Read more...
21
2014-6
怎样选择反应釜搅拌机
反应釜搅拌器目前的选型方法多数是根据实践经验,选择习惯应用的浆型,再在常用范围内决定搅拌器的各种参数。也有通过小型试验,取得数据,进行比拟放大的设计方法。不论哪种做法,都离不开最初的根据搅拌目的来选择反应釜搅拌器类型这一步。所以一个完整的选型方案必须满足经…
Read more...
21
2014-6
液体搅拌机选型指导
搅拌装置的设计选型与搅拌作业目的紧密结合。各种不同的搅拌过程需要由不同的搅拌装置运行来实现,在设计选型时首先要根据工艺对搅拌作业的目的和要求,确定搅拌器型式、电动机功率、搅拌速度,然后选择减速机、机架、搅拌轴、轴封等各部件。具体步骤方法如下:根据搅拌介质或…
Read more...
21
2014-6
怎样区别高速分散机和高剪切分散机
高速分散机的使用范围比较广泛,功能比较齐全,作用也比较多,该分散机是由于工业的不断发展而产生的.。高剪切分散机是分散机设备中工作效率比较高的设备之一,该分散机具有的先进的高剪切功能可以有效的将不同的物料进行快速的打碎、分散,突破了传统分散机的生产工艺,而且能…
Read more...
21
2014-6
怎样选择衬四氟搅拌机的材料
衬四氟搅拌机涉及行业广泛,客户的具体工况要求也千差万别,所以搅拌机品种多样,需单独设计的非标准设备。而液体搅拌机的材料选择也是很有讲究的。有些液体(比如:盐酸/硫酸等)本身具有腐蚀性,而有些又是添加化学原料或药剂的溶液(比如:液体中含有氯离子),也具有腐蚀性。所以…
Read more...
产品
釜内乳化机
连续乳化机
吸料乳化机
粉体搅拌机
浆料乳化机
静态混合器
移动升降乳化机
产品
HLXA
HLWA
ME700
Hot
资讯
高速分散机适用的行业及其特点
实验室搅拌的构造解析
何为高剪切制粒?
高速分散的说明书和其安装教程
怎样选择反应釜搅拌机
液体搅拌机选型指导
怎样区别高速分散机和高剪切分散机…
怎样选择衬四氟搅拌机的材料
New
Hot Label
ME400 (3)
DXM (3)
HFA (2)
DMX (2)
DMW (2)
24小时服务15996561090
DLT@DLT.HK.CN
159 9656 5828
添加微信可了解更多